JMG-050JMG-070
JMG-100JMG-120
JMG-125JMG-130
JMG-140JMG-150
JMG-200
JMG系列气体燃烧器是自动换热式燃气烧嘴。这种吹气烧嘴能在使用天然气,液化石油气,贫煤气,低热值的气体(根据要求)的情况下运转。在任何须要获得氧化燃烧的进程中,这种吹气烧嘴可以用来限制工作温度。机器的完全自动化的运转允许断续作用调节,火焰大小调节,空气燃气调节和极大极小调节比直到15:1。该烧嘴最大热量潜力值达2675千瓦(2,300,000kcal/h),而最小潜力值不亚于5.8千瓦(5,000kcal/h)。
在燃烧加热的过程中,通过管子内外热交换,助燃空气温度可由室温变化到300℃。在燃烧过程中产生的一氧化碳和氮氧化物的排放的处理上,该产品凝聚了显著的精力。这些排放量比欧洲标准676法规规定的标准都要低。此烧嘴经过烧铸,喷色,机身是铁,机底是铝,与火焰连接的部分是镍铬合金制成的。此烧嘴有点火装置和火焰显示电极,用来测量空气和燃气的瞬时流量的压力开关,指示灯光的火焰。
- 有直接火花点火器,电力检测电极或紫外线试池。
- 可用天然气、液化石油气或其他要求的气体燃料。
- 极大极小对比值:15:1.
- 根据欧标676,在有气泵的条件下可以作为完成 版本。
- 易于安装、启动和操作。
- 各种窑炉,适用于氧化的,理想配比的或者是减 量化的燃烧。
- 陶瓷制品,砖块和耐火材料。如锟道窑、隧道窑、 段续窑、熔炼窑和连续断续烘干机。
- 冶金业。
- 表面处理。

规格

技术参数

以上提及的数据的描述是在最大功率的情况下。
展示的压力参数作为唯一的准则。
气体压力是指天然气。
*理想配比的情况下
性能数据和外形尺寸是唯一的准则。
该说明和规格如有变更,恕不另行通知..
JMGT-050JMGT-070
JMGT-100JMGT-120
JMGT-125JMGT-130
JMGT-140JMGT-150
JMGT-200
JMGT系列气体燃烧器是自动换热式燃气烧嘴。这种吹气烧嘴能在使用天然气,液化石油气,贫煤气,低热值的气体(根据要求)的情况下运转。在任何须要获得氧化燃烧的进程中,这种吹气烧嘴可以用来限制工作温度。机器的完全自动化的运转允许断续作用调节,火焰大小调节,空气燃气调节和极大极小调节比直到15:1。该烧嘴最大热量潜力值达2675千瓦(2,300,000kcal/h),而最小潜力值不亚于5.8千瓦(5,000kcal/h)。
在燃烧加热的过程中,通过管子内外热交换,助燃空气温度可由室温变化到300℃。在燃烧过程中产生的一氧化碳和氮氧化物的排放的处理上,该产品凝聚了显著的精力。这些排放量比欧洲标准676法规规定的标准都要低。此烧嘴经过烧铸,喷色,机身是铁,机底是铝,与火焰连接的部分是镍铬合金制成的。此烧嘴有点火装置和火焰显示电极,用来测量空气和燃气的瞬时流量的压力开关,指示灯光的火焰。
- 有直接火花点火器,电力检测电极或紫外线试池。
- 可用天然气、液化石油气或其他要求的气体燃料。
- 极大极小对比值:15:1.
- 易于安装、启动和操作。
- 各种窑炉,适用于氧化的,理想配比的或者是减量 化的燃烧。
- 陶瓷制品,砖块和耐火材料。如锟道窑、隧道窑、 段续窑、熔炼窑和连续断续烘干机。
- 冶金业。
- 表面处理。
- 玻璃:淬火炉
- 印刷和包装:凹版印刷,柔印,耦合和粘合剂涂 敷器有空气加热器。
- 食物:谷物烘干机,烤炉。
- 烤烟。

规格

技术参数

以上提及的数据的描述是在最大功率的情况下。
展示的压力参数作为唯一的准则。
气体压力是指天然气。
*理想配比的情况下
性能数据和外形尺寸是唯一的准则。
该说明和规格如有变更,恕不另行通知..
JHG-050JHG-070
JHG-100JHG-120
JHG-125JHG-130
JHG-140JHG-150
JHG-200
JHG系列气体燃烧器是自动换热式燃气烧嘴。这种吹气烧嘴能在使用天然气,液化石油气,贫煤气,低热值的气体
(根据要求)的情况下运转。在任何须要获得氧化燃烧的进程中,这种吹气烧嘴可以用来限制工作温度。机器的完全
自动化的运转允许断续作用调节,火焰大小调节,空气燃气调节和极大极小调节比直到15:1。该烧嘴最大热量潜力
值达2675千瓦(2,300,000kcal/h),而最小潜力值不亚于5.8千瓦(5,000kcal/h)。
在燃烧加热的过程中,通过管子内外热交换,助燃空气温度可由室温变化到300℃。在燃烧过程中产生的一氧化碳和
氮氧化物的排放的处理上,该产品凝聚了显著的精力。这些排放量比欧洲标准676法规规定的标准都要低。此烧嘴经
过烧铸,喷色,机身是铁,机底是铝,与火焰连接的部分是镍铬合金制成的。此烧嘴有点火装置和火焰显示电极,用
来测量空气和燃气的瞬时流量的压力开关,指示灯光的火焰。
- 有直接火花点火器,电力检测电极或紫外线试池。
- 可用天然气、液化石油气或其他要求的气体燃料。
- 极大极小对比值:15:1.
- 根据欧标676,在有气泵的条件下可以作为完整版本。
- 易于安装、启动和操作
- 各种窑炉,适用于氧化的,理想配比的或者是减 量化的燃烧。
- 陶瓷制品,砖块和耐火材料。如锟道窑、 隧道窑、段续窑、熔炼窑和连续断续烘干机。
- 冶金业。
- 表面处理。
- 玻璃:淬火炉
- 印刷和包装:凹版印刷,柔印,耦合和粘合剂 涂敷器有空气加热器。
- 食物:谷物烘干机,烤炉。
- 烤烟。

规格

技术参数

以上提及的数据的描述是在最大功率的情况下。
展示的压力参数作为唯一的准则。
气体压力是指天然气。
*理想配比的情况下
性能数据和外形尺寸是唯一的准则。
该说明和规格如有变更,恕不另行通知..
JHGT-050JHGT-070
JHGT-100JHGT-120
JHGT-125JHGT-130
JHGT-140JHGT-150
JHGT-200
JHGT系列气体燃烧器是自动换热式燃气烧嘴。这种吹气烧嘴能在使用天然气,液化石油气,贫煤气,低热值的
气体(根据要求)的情况下运转。在任何须要获得氧化燃烧的进程中,这种吹气烧嘴可以用来限制工作温度。机
器的完全自动化的运转允许断续作用调节,火焰大小调节,空气燃气调节。该烧嘴最大热量潜力值达2675千瓦
(2,300,000kcal/h),而最小潜力值不亚于5.8千瓦(5,000kcal/h)。
在燃烧加热的过程中,通过管子内外热交换,助燃空气温度可由室温变化到300℃。在燃烧过程中产生的一氧化碳和
氮氧化物的排放的处理上,该产品凝聚了显著的精力。此烧嘴经过烧铸,喷色,机身是铁,机底是铝,与火焰连接的
部分是镍铬合金制成的。
- 有直接火花点火器,电力检测电极或紫外线试池。
- 可用天然气、液化石油气或其他要求的气体燃料。
- 极大极小对比值:15:1.
- 根据欧标676,在有气泵的条件下可以作为完 整版本。
- 易于安装、启动和操作。
- 各种窑炉,适用于氧化的,理想配比的或者是减 量化的燃烧。
- 陶瓷制品,砖块和耐火材料。如锟道窑、 隧道窑、段续窑、熔炼窑和连续断续烘干机。
- 冶金业。
- 表面处理。
- 玻璃:淬火炉
- 印刷和包装:凹版印刷,柔印,耦合和粘合剂涂 敷器有空气加热器。
- 食物:谷物烘干机,烤炉。
- 烤烟。

规格

技术参数

以上提及的数据的描述是在最大功率的情况下。
展示的压力参数作为唯一的准则。
气体压力是指天然气。
*理想配比的情况下
性能数据和外形尺寸是唯一的准则。
该说明和规格如有变更,恕不另行通知..
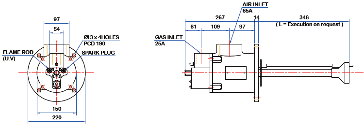
JHMG-100JHMG-150
The “JHMG” gas burner series is a blown-air burner which can operate with natural gas, LPG, lean gas and gas with low calorific power (on request).
Burner operation may be automatic or semi-automatic, and burner is equipped with electric ignition and detection electrode.
This burner is classified as a “high/medium speed gas burner”, with exhaust gases speed coming out from the combustion chamber rancing from
few m/s to 100 m/s, or even higher speed according to the outlet diameter of the burner cone.
Combustion air temperature required for this burner can change from room temperature until 300℃.
The Maximum thermal potentiality is 17,441kW (1,500,000kcal/h) while the minimum potentiality can come up to 116kW (10,000kcal/h).
Because of its flexibility, this burner may be adjusted with a wide capacity range up to a 10:1 ratio.
- Direct spark ignition, ionization flame detection electrode.
- Multifuel combustion head for Natural gas or LPG.
- Turn down ratio 10 to 1.
- Available as packaged execution, with gas ramp, according to EN 676 (or other required) on right or left hand.
- Easy to install, to start, to operate.
- All types of kilns, suitable for oxidative, stoichiometric or reducing combustion.
- Ceramic, Bricks, Refractory:
- Roller kilns, Tunnel kilns, Intermittent kilns, Melting kilns.
- Continuous and Intermittent Dryers.
- Iron metallurgic Industry.
- Surfaces Treatment.
- Glass : Hardening ovens.
- Printing and Packing : Air Heaters for Rotogravures, Flexographic and Coupling and adhesive coating Machines.
- Food : Cereal Dryers, Roasters.
- Drying Tobacco.
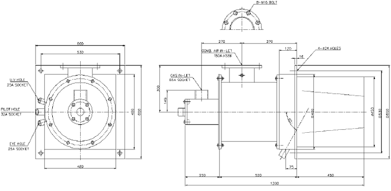
DIMENSIONS

TECHNICAL DATA

The above mentioned performance data are described at their maximum power.
Pressure showed are guidelines only. Gas pressures are refer to Methane gas.
* Stoichiometric conditions.
Performance data and dimensions are guidelines only.
The descriptions and specifications are subject to change without notice.
JGB-100JGB-200
JGB-300JGB-400
JGB-500JGB-800
JGB-1200
JGB系列气体燃烧器是自动换热式燃气烧嘴。这种吹气烧嘴能在使用天然气,液化石油气,贫煤气,低热值的气体
(根据要求)的情况下运转。在任何须要获得氧化燃烧的进程中,这种吹气烧嘴可以用来限制工作温度。机器的完全
自动化的运转允许断续作用调节,火焰大小调节,空气燃气调节和极大极小调节比直到10:1。该烧嘴最大热量潜力
值达15930千瓦(13,700,000kcal/h),而最小潜力值不亚于5.8千瓦(1,200kcal/h)。
在燃烧加热的过程中,通过管子内外热交换,助燃空气温度可由室温变化到450℃。在燃烧过程中产生的一氧化碳和
氮氧化物的排放的处理上,该产品凝聚了显著的精力。这些排放量比欧洲标准676法规规定的标准都要低。烧嘴喷头
是由耐热材料-高铝浇注料制成,可以在高达1650℃的温度下使用。
- 有直接火花点火器,电力检测电极或紫外线试池。
- 可用天然气、液化石油气或其他要求的气体燃料。
- 极大极小对比值:10:1.
- 易于安装、启动和操作。
- 各种窑炉,适用于氧化的,理想配比的或者是减量 化的燃烧。
- 陶瓷制品,砖块和耐火材料。如锟道窑、隧道窑、 段续窑、熔炼窑和连续断续烘干机。
- 冶金业。
- 表面处理。
- 玻璃:淬火炉。
- 高温燃气发生器。
- 焚化炉。
- 工业废物处理

规格

技术参数

以上提及的数据的描述是在最大功率的情况下。
展示的压力参数作为唯一的准则。
气体压力是指天然气。
*理想配比的情况下
性能数据和外形尺寸是唯一的准则
。
该说明和规格如有变更,恕不另行通知..
JRT-050JRT-100
JRT-150
JRT系列气体燃烧器的设计和发布是用来安装与窑房和干燥器相连的间接汇兑管道。机器的完全自动化的运转允
许可调技术,火焰大小调节,空气燃气调节。其极大极小调节比直到15:1。该烧嘴最大热量潜力值达175千瓦
(150,000kcal/h),而最小潜力值不亚于7千瓦(6,000kcal/h)。
在燃烧加热的过程中,通过管子内外热交换,助燃空气温度可由室温变化到350℃。在燃烧过程中产生的一氧化碳和
氮氧化物的排放的处理上,该产品凝聚了显著的精力。这些排放量比法规规定的标准都要低。此烧嘴经过烧铸,喷
色,机身是铁,机底是铝,与火焰连接的部分是镍铬合金制成的。这种烧嘴所有的点火和火焰显示电极,压力开关可
用来测量空气和燃气的瞬间流量,火焰指示灯。为了正确安装,向我们的技术部门咨询关于温度和烧嘴利用的功率很
必要。这些信息对于燃烧头的截面尺寸获得最高产烧嘴很重要
- 有直接火花点火器,电力检测电极或紫外线试池。
- 可用天然气、液化石油气或其他要求的气体燃料。
- 燃烧器调节比:5:1.
- 易于安装、启动和操作。
- 适用于任何须要燃烧气体和排气之间大的换面的 情况,在需要燃烧的过程情况下。与将要被处理 的材料接触的产品。
- 陶瓷制品,砖块和耐火材料。如锟道窑、段续窑 和连续断续烘干机。
- 冶金业:热处理炉。
- 表面处理:绘画和上釉炉。
- 玻璃:淬火炉
- 印刷和包装:凹版印刷,柔印,耦合和粘合剂涂 敷器有空气加热器。
- 食物:
规格

技术参数

以上提及的数据的描述是在最大功率的情况下
。
展示的压力参数作为唯一的准则。
气体压力是指天然气。
*理想配比的情况下
性能数据和外形尺寸是唯一的准则。
该说明和规格如有变更,恕不另行通知..
JSB-4SJSB-5S
这个设备很容易安装,它有多种用途并且节能。你可
以轻松更换烧嘴和喷灯管。
- 天然气
- 液化石油气
- 其他气体燃料

规格

安装范例

流程图表


JDC-20JDC-50
JDC气体燃烧器代表了一种新的理念:工业工序中燃烧工艺用风而产生的暖气优化的拌和速度直接加热空气。它们应
该被归类于“混合头烧嘴”。为了适宜的工作,它们需要低气压的空气和气体。“线性”和“交叉”模型是可用的,
这些正确安装的模型,或许代表了永远不会结束的各种每个需要的每个执行形状(大小)和应用。基本单位包括带发火
探头的烧嘴,引燃器和综合电离电极,或者是紫外线试探测池。
助燃空气或许会由工序或者鼓风机直接提供(取决于安装类型)。以防燃烧的空气由工序提供,烧嘴被称为“开放
式”。工艺用风一定有一个17%的最低氧气含量以及20m/s的流速;如果气压是2.5mbar,那么压力就会在这一应
用中降低。如果助燃空气是由鼓风机提供,烧嘴组件将会配备连接法口;这种情况下低氧进程不会阻止烧嘴良好的燃
烧。
- 由于有有电极,主模块直接电点火,或者由于试点 合并电极而间接在烧嘴结构内点火。
- 有电离电极或者紫外线试池的火焰检测。
- 符合甲烷、液化石油气和其他要求的气体燃料的 常规标准
- 适用于助燃气体和所需工艺用风之间的大换面 的应用情况下,均匀和快速的混合是必要的。
- 陶瓷制品,砖块,耐热材料,断续和持续烘 干机。
- 表面处理:涂漆窑炉,搪瓷窑和烘干机。
- 打印和包装:凹版印刷空气加热器,柔印, 耦合和粘合剂涂敷机。
- 食物:谷物,草料和烘丝机,焙烧炉。
规格

技术参数

以上提及的数据的描述是在最大功率的情况下。
展示的压力参数作为唯一的准则。
气体压力指的是天然气。
*烧嘴的负载损耗取决于工艺用风的速度。这里显示的负载损耗指的是速度10m/s。
性能参数和尺寸是唯一准则。
以上描述和说明在未预先通知的情况下可随时变动。